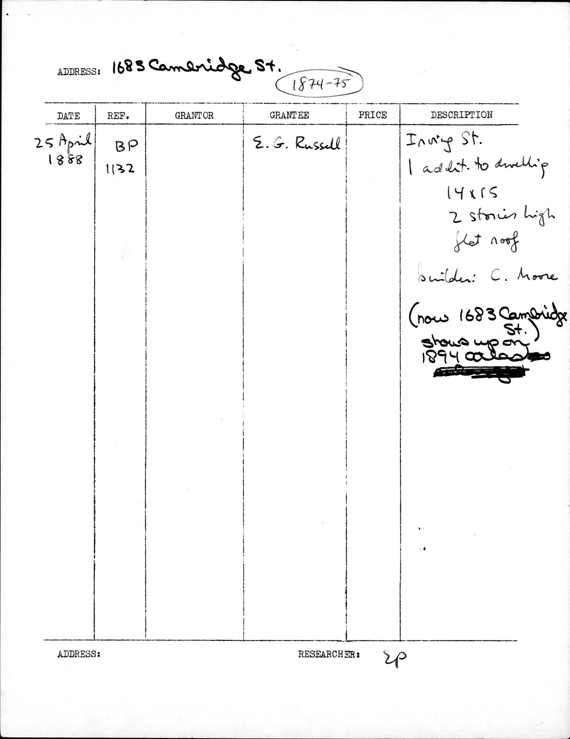
1683 Cambridge St - Research Form
- Neighborhood :
- Mid-Cambridge
- Document Type :
- Research Form
- Research District :
- Mid-Cambridge
- Citation :
- Cambridge Historical Commission, Digital Architectural Survey and History.
- Pages :
- 1
- Rights :
- Rights status not evaluated.
- Place Item :
- 1683 Cambridge St
